chevron_left
Menu
Turck
search
Loading
add_shopping_cart
chevron_left
Menu
Home
Products
person
Login
add_shopping_cart
DW6000-155-7E-H1441 | TURCK - Your Global Automation Partner
Draw-Wire
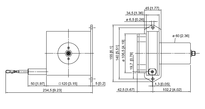
DW6000-155-7E-H1441
Order ID no. 1544549
home
Home
Loading...
Technical Data
Protection class
IP65
Output function
Analog output
Design
Draw Wire
Electrical connection
Connector
Connector type
M12 × 1
Housing material
Titanium anodized aluminium
Ambient temperature min. (°C)
-20
Ambient temperature max. (°C)
60
Operating voltage
DC
Measuring range (mm)
6000
Output type
Analog
Measuring range
6000…0.0 mm
Key Features
Electrical connection
Connector
Measuring range (mm)
6000
Output function
Analog output
In Stock
Price Group
B1
List Price
€956.50
home
Turck-Shop
Sensors
Linear Position Sensors
DW6000-155-7E-H1441
Item Total
€956.50
Quantity
−
+
add_shopping_cart
Add to Cart
Contact Support