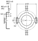
BST-08NMounting Accessories for Inductive Sensors6947211Accessory typeMounting clampHousing materialPlastic
BST-30BMounting Accessories for Inductive Sensors6947216Accessory typeMounting clampHousing materialPlastic